电话:19502043931
传真:020-36533055
手机:19502043931
邮箱:1033709909@qq.com
地址:广东省广州市白云区大朗十一社天斯秀尔工业园
![]()
研发是产品最为重要的一个环节,由总部德昌国际(法国)集团有限公司科研中心提供全程技术支持,引进国际顶尖专利技术,将科技转化为生产力,全面提高企业研发实力和产品品质。集团大部分配方体系均来自英国、德国、美国、法国、日本等国家的知名品牌技术,生产原料多采用国外进口知名品牌产品,如法国赛比克、德国舒美、英国禾大、美国道康宁、德国巴斯夫、美国萨宾莎、荷兰帝斯曼等与我公司建立了长期良好的合作关系。
研发软件与硬件优势:
*敏锐市场嗅觉,确保产品走在日益创新的市场前沿
*20个工程师研发团队
*500平方米独立研发中心
*研发过程中经过720小时破坏性适应和连续交叉破坏试验,保证新品品质稳定
*中心实验室设施齐全,装备精良:
检测仪器60多种150台套,15台日本进口磁力搅拌器,拥有高效液相色谱仪、气相色谱仪,近红外分光光度计、原子吸收分光光度计等高、精、尖仪器及实验设备。检定设备符合化妆品及药品标准规定的需要,并向专业化、自动化和智能化发展。
*工厂有7000多平方,四条膏霜生产线,两条面膜自动灌装线,10万级无尘灌装车间


工程师风采展示:

天斯秀尔技术总监胡本剑博士,毕业于北京理工大学,在法国里昂大学获得精细化工博士学位,曾任职于雅诗兰黛、韩国科丝美斯公司,对亚洲人肤质有独特的研究,荣获法国美业协会化妆品研发中心授予的先进工作者称号,产品畅销国内外。 能管理与资源整合几十位工程师的技术与配方交流,能敏锐把控市场走向,迅速仿版迅速定制,为您高品质高安全高返单的品牌着力迈开第一步。
天斯秀尔高级工程师闫继鹏,毕业于北京理工大学,拥有十几年的护肤品研发经验,先后供职于雅兰国际、广州蝶恋花等国内尖端品牌公司,掌握高端高品质功效型专业护肤品的成熟技术,荣获中国化妆品技术协会优秀工程师称号。工作期间,先后为在职公司申请了四项专利,分别是全效修复眼霜,特润净白宝宝霜,舒敏霜、祛红血丝修复霜。
天斯秀尔高级工程师郭晓艳,毕业于湖南大学,先后供职于雅纯、美妆化工等国内同行公司,掌握高品质功效型OEM护肤品的成熟技术,同时精通化妆品相关法律法规,拥有高级工程师职称,荣获中国化妆品技术协会最具潜力工程师称号。

研发工程师团队:我们专注中高端功效修复型护肤品研发十二年!!
*中国国际美容美发行业协会评选的“中国十佳OEM企业”。
*我们以消费者的需求和最新动向为研发导向,从产品的企划提案、产品研发、产品实验测试、包材设计和采购、产品量产都由专业人员按标准化的流程处理。

![]()

生产设备:
天斯秀尔化妆品有限公司成立于2005年,工厂占地面积约7000平方米,生产车间面积约4000平方米;生产程序按照国际化标准进行(GMPC),拥有先进的生产设备和国内一流的生产环境;水处理设备是采取离子交换与反渗透相结合的方式,使生产用水达到国际标准;超纯十万级空气净化系统创造良好的生产环境;灌装设备应用气动装置,实现无接触、无菌操作;先进的精密真空乳化机组,保障了最终产品的优质与稳定。
原料控制:
95%以上原料来自于进口,不惜成本着力打造中高端市场安全稳定的品质与效果,确保终端用户用后90%好评返单。原料种类和品质的选择是影响化妆品安全、功效和品质的重要一环,也是决定成本的关键。我司拥有长期稳定的多家国际著名的原料供应合作伙伴,瑞士CIBA、瑞士罗氏、美国的IFF、道康宁、联炭公司、法国CHARABOT等,共同分享全球最新最优原料成果。
产品研发:
拥有最严格的产品开发模式。有20个工程师研发团队我们的专家和工程师主要来自于中医、制药、化工行业,利用尖端科技专注研发适合东方人肤质的护肤品,致力于人类健康美容事业之发展,500平方米独立研发中心,20多台尖端雄厚的微检设备,研发过程中经过720小时破坏性适应和连续交叉破坏试验,保证新品品质稳定。
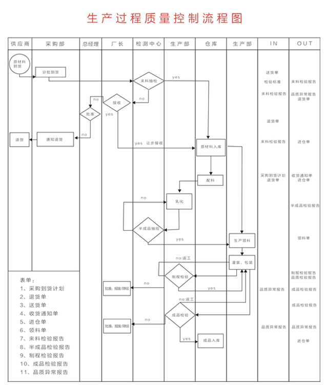
品质监控:
我司建立了一套执行多年成效显著的品质监控系统。从原材料入仓到出货,历经25道工序层层严格而标准的品质检测,每个新产品推出前,都经过上百次配方改良和测试,从化工原材料、包材、半成品、成品进行一系列的安全性、稳定性和功效等质量监管,保证产品的品质达到最佳效果。我们始终专注于化妆品半成品OEM和品牌ODM服务,时刻高度关注化妆品行业的最新竞争态势,第一时间收集消化第一手资讯,为广大客户精心打造持久的不可复制的品牌核心竞争能力。
空气质量:
生产车间空气经初效、中效、高效三层多效过滤,确保生产车间的空气质量完全符合GMP要求,配备电子数显尘埃粒子计数器对空气质量进行监控,时时对生产车间沉降菌监测。
纯水:生产用水采用活性炭吸附过滤、树脂交换、反渗透膜过滤、紫外线灭菌等工艺生产,确保去离子水质量达到最优级。
包材:直接与化妆品接触的包材须严格执行特定清洗、消毒、杀菌程序,确保包装无污染。
半成品:半成品生产严格按照配方工艺标准要求执行,每批次进行严格感官、理化、微生物指标检测,合格才能进入灌装工序。
成品:行成品检测合格放行制度,只有成品全分析合格才能入库,成品出货前必须经过成品质检的再次确认,合格才能出厂。
![]()
公司一直恪守:“以人为本,人是第一资本,也是第一生产力,企业的竞争就是人才的竞争”理念,广泛吸纳优秀人才,并根据个人特点,实施培养计划,成就员工价值,开拓一整套的人才培训计划,并将人才放到能最大化发挥其个人能力的地方,使我们的团队在激烈的市场竞争中所向披靡,迅速壮大,并稳步发展。让每个员工都学习德昌精神,在我们的日常服务中时刻监督个人行为,让服务更细致、更周全、更能为客户着想,提高客户满意度和忠诚度,并赢得更多的客户。公司追求企业价值与个人价值的和谐统一,实现企业与员工的双赢,精诚合作,铸就团队更强的亲和力和凝聚力。
精英管理团队

工厂团队风采

![]()
德昌国际(法国)集团有限公司德昌国际(法国)集团有限公司能够帮您解密市场新潮产品,提供市场热点产品;独特的配方研制,提供特殊卖点产品;为为企业提供化妆品品牌市场调研、规划、产品研发、生产、包装、设计、生产、营运、供应链管理、市场推广、营销管理、品牌打造、实施,企业管理服务等整套运作体系,为客户提供更有价值的产品与服务.一站式服务;真正优质低价;全过程跟踪服务,您只需把想法告诉我们,剩下的全部交经我们解决,我们将用最专业的服务让您全程无优!
1、协助客户进行市场分析,产品规划及提供免费包装设计。
2、免费提供营销策划咨询。
3、免费协助客户设计产品架构及产品规划。
4、半成品、成品检验,包装物验收。
5、半成品、成品加工。
6、免费提供质检、卫检代办服务。
7、仓储、货运管理服务。
8、提供客户驻厂办公场地及住宿。
9、免费代办注册商标。
10、免费提供三证。
11、免费原料、配方、包装、制作技术咨询。
12、提供中国物品管理中心签发的信息条形码申报服务。





扫一扫进入阿里店铺
业务联系